26.99€ 36.44€
Sandėlyje
26.99€ 36.44€
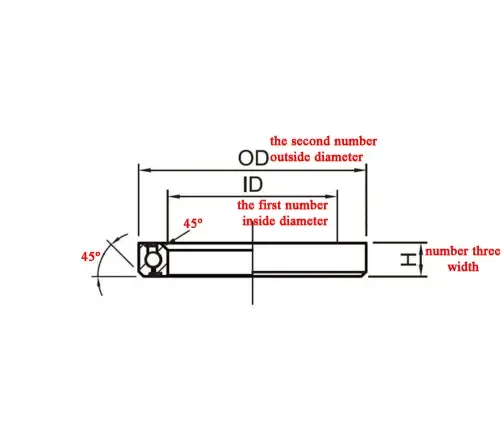
Vairo kolonėlei, 40x53x7 mm (45x45o) Dviračių industrijoje šis guolis taip pat žinomas šiais kodais: HD 1448, 281819
S68808 SP 1-1/2 440C stainless steel Angular Contact Headset bearing (40mm x 53mm x 7mm: 45 x 45deg)
Angular contact headset bearing featuring 440C stainless steel balls and races for superior corrosion protection.
This size bearings also known in the bike Industry by these part numbers:
HD 1448
281819
Not all stainless steel is created equal.
Enduro only uses 440C stainless steel balls and races to provide long life and superior corrosion resistance in applications and environments that may be less than ideal. 440C has the highest strength, hardness, and wear resistance of all the standard 440-series stainless alloys with high carbon content. As expected, it is also the most expensive of the 440 series alloys and requires multiple rounds of heat treatment and cryogenic treatment to achieve its superior mechanical properties. Though stainless steel has 20% less load capacity and is slightly softer than our standard 52100 chromium steel used in most of our bearings, stainless steel is an excellent alternative for use in wet conditions, if you wash your bike often, or where sweat can be a problem. Enduro Bearings also uses LLB type seals and CRC Marine grease in these bearings to additionally water proof against the elements. Enduro 440C stainless headset bearings are the same bearings found in many popular headset brands, including those that carry a 110 year warranty.
The Enduro line of angular-contact headset bearings start with Black Oxide treated Chromium Steel races, steps up to full 440C stainless steel, and the top of the line is, lifetime-guaranteed, XD-15 aerospace-stainless (races and balls). They are always engineered with the largest balls possible, feature dual-lip seals riding in a micro-groove (labyrinth) and are filled 90% with high pressure water proof grease for the ultimate protection against sweat and the elements. Enduro Angular Contact (A/C) bearings are designed so all balls are evenly engaged to spread the force over a larger surface area, minimizing wear and maximizing life.
Static load - 1250lbf / 5.55kN
Weight - 24g








































