32.99€ 42.89€
Ir pieejams
32.99€ 42.89€
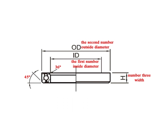
ACB 3645 3748 BO - 1-3/8 Angular Contact Headset Bearing (37mm x 48mm x 6.5mm: 36 45deg).
Angular-contact headset bearing featuring anti-corrosion Black Oxide/Magnetite coated 52100 High-Carbon Chromium alloy races paired with grade 10 Balls. Black Oxide coating provides an extra level of corrosion resistance and extended worry-free performance.
The Enduro line of angular-contact headset bearings start with Black Oxide treated Chromium Steel races and then steps up to full 440C stainless steel. The Black Oxide headset bearings are treated in multiple chemical baths to achieve a 3 micron anti corrosive depth. This process also provides a secondary advantage of heat treatment making them tougher. The BO races then go through a secondary "super grind” polishing the rolling surface mirror smooth. Both Stainless and BO bearings are engineered with the largest balls possible, feature dual-lip seals riding in a micro-groove (labyrinth) and are filled 90% with extra high pressure Almagard 3752 grease for the ultimate protection against sweat and the elements. Enduro Angular Contact (A/C) bearings are designed so all balls are evenly engaged to spread the force over a larger surface area, minimizing wear and maximizing life.
Static load - 935lbf / 4.15kN
Weight - 25.25g









