38.99€ 50.69€
In stock
38.99€ 50.69€
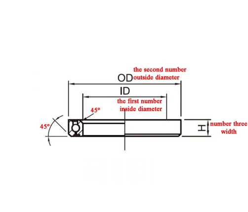
Headset bearing, 34.1x46x67 mm (45x45o) This size bearing is also known in the bike Industry by these part numbers: MR168, 970S, IS46, IS46/34, TH MR082
ACB 4545 125L SS - 1-1/4 440C stainless steel Angular Contact Headset bearing (34.1mm x 46mm x 7mm: 45x45deg)
Angular-contact headset bearing featuring 440C stainless steel balls and races for superior corrosion protection.
This size bearing is also known in the bike Industry by these part numbers:
MR168
970S
IS46
IS46/34
TH MR082
Not all stainless steel is created equal.
Enduro only uses 440C stainless steel balls and races to provide long life and superior corrosion resistance in applications and environments that may be less than ideal. 440C has the highest strength, hardness, and wear resistance of all the standard 440-series stainless alloys with high carbon content. As expected, it is also the most expensive of the 440 series alloys and requires special heat treatment and cryogenic treatment to achieve its superior mechanical properties. Though it is slightly softer than our standard 52100 chromium steel used in most of our bearings, stainless steel is an excellent alternative for use in wet conditions or where sweat and spilled sports drinks can be a problem. Enduro Bearings also uses LLB-type seals and Almagard 3752 grease in these bearings to additionally waterproof against the elements. Enduro 440C stainless headset bearings are the same bearings found in many popular headset brands with a lifetime warranty.
The Enduro line of angular-contact headset bearings starts with Black Oxide treated Chromium Steel races and then steps up to full 440C stainless steel. They are always engineered with the largest balls possible, feature dual-lip seals riding in a micro-groove (labyrinth), and are filled 90% with high-pressure waterproof grease for the ultimate protection against sweat and the elements. Enduro Angular Contact (A/C) bearings are designed so all balls are evenly engaged to spread the force over a larger surface area, minimizing wear and maximizing life.
Static load - 980lbf / 4.35kN
Weight - 25.5g









































